2000 SERIES – DOORS
2000 SERIES – DOORS
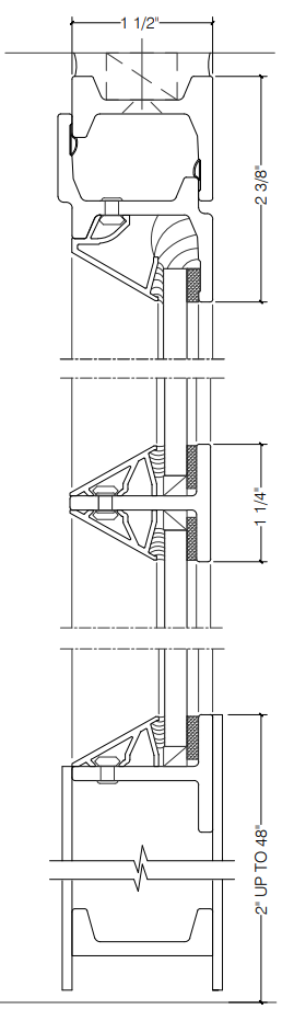
1-1/2” Depth Heavy Intermediate windows include fixed, project out/in and casement.
Sloped snap-on glazing bead and Square snap-on glazing bead is available from ¼” up to 1” insulated glass.
Horizontal and vertical muntin bars are 1-1/4” x 1-1/2” for single and insulated glass.
Horizontal and vertical muntin bars are 7/8” x 1-1/2” for max ¼” glass.
Horizontal and vertical muntin bars are 2” x 1-1/2” for 1” glass.
Full Downloads ZIP
CAD DWG Download
- Section Details
- Single & Double Door
- Single Door With Sidelights
- Pivot Doors
- Single Door With Sidleights & Transom
- Double Door With Sidelights & Transom
- Slider, Bifold, Barn Door
- 2000 Series – Door Section Details(Download)
- 2000 Series – Glazing Stops(Download)
- 2000 Series – Muntin Bars(Download)
- 1B. Single & Double Door – Swing Out – Z Bar Frame – Single Glazed(Download)
- 1C. Single & Double Door – Swing In – Block Frame – Single Glazed(Download)
- 1D. Single & Double Door – Swing In – Z Bar Frame – Single Glazed(Download)
- 2A. Single & Double Door – Swing Out – Block Frame – Dual Glazed(Download)
- 2B. Single & Double Door – Swing Out – Z Bar Frame – Dual Glazed(Download)
- 2C. Single & Double Door – Swing In – Block Frame – Dual Glazed(Download)
- 3A. Single & Double Door – Swing Out – Block Frame – 1 Inch Dual Glazed(Download)
- 3B. Single & Double Door – Swing Out – Z Bar Frame – 1 Inch Dual Glazed(Download)
- 3C. Single & Double Door – Swing In – Block Frame – 1 Inch Dual Glazed(Download)
- 3D. Singel & Double Door – Swing In – Z Bar Frame – 1 Inch Dual Glazed(Download)
- 1A. Single Door with Sidelight – Swing Out – Block Frame – Single Glazed(Download)
- 1B. Single Door with Sidelight – Swing Out – Z Bar Frame – Single Glazed(Download)
- 2A. Single Door with Sidelight – Swing Out – Block Frame – Dual Glazed(Download)
- 2B. Single Door with Sidelight – Swing Out – Z Bar Frame – Dual Glazed(Download)
- 3A. Single Door with Sidelight – Swing Out – Block Frame – 1 Inch Dual Glazed(Download)
- 3B. Single Door with Sidelight – Swing Out – Z Bar – 1 Inch Dual Glazed(Download)
- 1A. Pivot Door with Sidelight – Swing Out – Single Glazed(Download)
- 1B. Pivot Door with Sidelight – Swing Out – Dual Glazed(Download)
- 1C. Pivot Door with Sidelight – Swing Out – 1 Inch Dual Glazed(Download)
- 1A. Single Door with Transom & Sidelight – Swing Out – Block Frame – Single Glazed(Download)
- 1B. Single Door with Sidelight – Swing Out – Z Bar Frame – Single Glazed(Download)
- 1B. Single Door with Transom & Sidelight – Swing Out – Z Bar Frame – Single Glazed(Download)
- 2A. Single Door with Transom & Sidelight – Swing Out – Block Frame – Dual Glazed(Download)
- 2B. Singel Door with Transom & Sidelight – Swing Out – Z Bar Frame – Dual Glazed(Download)
- 3A. Single Door with Transom & Sidelight – Block Frame – 1 Inch Dual Glazed(Download)
- 3B. Singel Door with Transom & Sidelight – Z Bar Frame – 1 Inch Dual Glazed(Download)
- 1A. Double Door with Sidelight and Transom – Swing Out – Block Frame – Single Glazed(Download)
- 1B. Double Door with Sidelight and Transom – Swing Out – Z Bar Frame – Single Glazed(Download)
- 2A. Double Door with Sidelight and Transom – Swing Out – Block Frame – Dual Glazed(Download)
- 2B. Double Door with Sidelight and Transom – Swing Out – Z Bar Frame – Dual Glazed(Download)
- 3A. Double Door with Sidelight and Transom – Swing Out -Block Frame – 1 Inch Dual Glazed(Download)
- 3B. Double Door with Sidelight and Transom – Swing Out – Z Bar Frame – 1 Inch Dual Glazed(Download)
- Top Hung Slider(Download)
- Bottom Roller Slider(Download)
- Bottom Roller Multi Slider(Download)
- Bifold(Download)
- Barn Door(Download)



